Замок Эльбор врезной сувальдный Базальт 1.05.03

Электронная почта

Врезной замок для бронированных и металлических дверей усиленной конструкции.
ОСОБЕННОСТИ КОНСТРУКЦИИ
При полностью выдвинутом стержне задвижки блокируется сувальдный механизм.
Также в корпусе замка предусмотрены отверстия для установки различных моделей броненакладок в качестве защиты цилиндрового механизма.
Наличие распорных втулок в корпусе замка увеличивает его жесткость и исключает зажатие сувальдного механизма при установке замка в дверь.
Основание с отгибкой обеспечивает увеличение прочности сварного шва основания со стержнями. Такой способ крепления является наиболее надежной защитой от силового взлома замка методом "отжима".
Соответствует 4 классу ГОСТ Р 52582-2006.

Технические характеристики

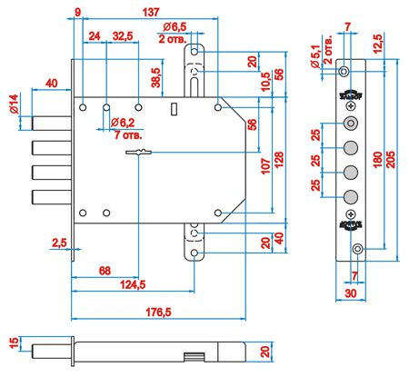
Габариты 136*128*20 мм
Механизм секретности основной Сувальдный
Тип установки Врезной
Класс (ГОСТ Р 52582-2006) 4
Толщина двери 40-80 мм
Выход стержней 40 мм
Диаметр стержня 14 мм
Масса 1,51 кг

 

КОМПЛЕКТАЦИЯ

  • Замок в сборе
  • Комплект никелированных ключей: 5 шт (в запаянном пакете с контрольными штампами)
  • Руководство по эксплуатации: 1 шт

Добавить комментарий


Нажимая кнопку "Отправить", я подтверждаю свою дееспособность, даю согласие на обработку моих персональных данных в соответствии с Условиями.

Рецензии

Еще нет отзывов об этом товаре.