Замок Герион проходной Затвор ЗК-8 (левый) 1 ключ

Электронная почта

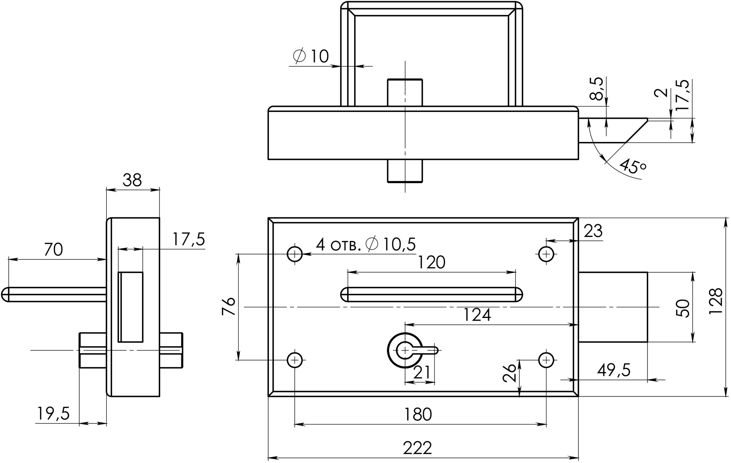
Замок камерный проходной левый типа ЗК-7 предназначен для установки в изоляторах временного содержания, исправительных колониях общего, строгого или особого режимов, следственных изоляторах, лечебных исправительных заведениях, тюрьмах и судах. Замок состоит из стального корпуса с крышкой и сувальдного механизма. Максимальный вылет засова-50 мм, а вылет засова в режиме защелки-15 мм. Количество секретов не более 8. Толщина замка- 40 мм. Замок по конструкции накладной. В конструкции замка имеется блокировка ключа, т.е. ключ вынимается только в том случае, если замок находится в запертом состоянии. Габариты замка: 220х128х38 мм, вес-3,5 кг. ТУ 78/9-265-02З.

Количество ключей: 1 шт.

Вес: 3.00 кг

Добавить комментарий


Нажимая кнопку "Отправить", я подтверждаю свою дееспособность, даю согласие на обработку моих персональных данных в соответствии с Условиями.

Рецензии

Еще нет отзывов об этом товаре.