Замок Герион вкладной Эталон БЗ с внутренней задвижкой

Электронная почта

Замок врезной с четырехпалым ригелем, бонками и внутренней задвижкой. Имеет 8и-сувальдный блокирующий механизм сейфового типа.
Замок сертифицирован 3 классом по ГОСТ 5089-2011, сохраняет работоспособность после попадания в скважину посторонних предметов.
Запирание двери обеспечивает повышенную сопротивляемость к взлому и высокую степень защиты.
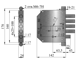
Толщина корпуса замка 24 мм.
Запирание поворотом ключа обеспечивает ригель, имеющий четыре пальца диаметром 17 мм с вылетом 42 мм. Внутренняя задвижка работает от треугольной ручки.
В модификации Эталон БЗ-01 — сертифицирован высшим 4 классом по ГОСТ 5089-2011.
Количество секретов: до 1 500 000 вариантов.Замок врезной с четырехпалым ригелем, бонками и внутренней задвижкой. Имеет 8и-сувальдный блокирующий механизм сейфового типа.
Замок сертифицирован 3 классом по ГОСТ 5089-2011, сохраняет работоспособность после попадания в скважину посторонних предметов.
Запирание двери обеспечивает повышенную сопротивляемость к взлому и высокую степень защиты.
Толщина корпуса замка 24 мм.
Запирание поворотом ключа обеспечивает ригель, имеющий четыре пальца диаметром 17 мм с вылетом 42 мм. Внутренняя задвижка работает от треугольной ручки.
В модификации Эталон БЗ-01 — сертифицирован высшим 4 классом по ГОСТ 5089-2011.

Количество секретов: до 1 500 000 вариантов.

Количество ключей: 5 шт.

Вес: 1.90 кг

Добавить комментарий


Нажимая кнопку "Отправить", я подтверждаю свою дееспособность, даю согласие на обработку моих персональных данных в соответствии с Условиями.

Рецензии

Еще нет отзывов об этом товаре.