Замок Герион врезной Гарант (легкая серия)

Электронная почта

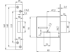
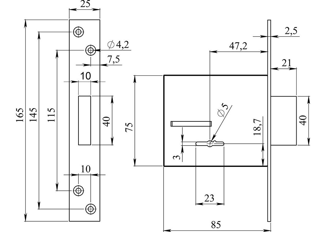
Замок врезной с плоским ригелем и шести-сувальдным кодовым механизмом сейфового типа. Замок сертифицирован 2 классом по ГОСТ 5089-2011, сохраняет работоспособность после попадания в скважину посторонних предметов. Ригель, изготовленный из высококачественной стали имеет вылет 21 мм и обеспечивает повышенную сопротивляемость к взлому и высокую степень защиты. Толщина корпуса замка 18 мм. Запирание поворотом ключа обеспечивает ригель-шириной 40 мм и толщиной 10 мм.
В модификации Гарант-01 — сертифицирован 3 классом по ГОСТ 5089-2011.

Количество секретов: более 100 000 вариантов.

Количество ключей: 5 шт.

Вес: 0.75 кг

Добавить комментарий


Нажимая кнопку "Отправить", я подтверждаю свою дееспособность, даю согласие на обработку моих персональных данных в соответствии с Условиями.

Рецензии

Еще нет отзывов об этом товаре.