8 965 480 87 45
звонок по России
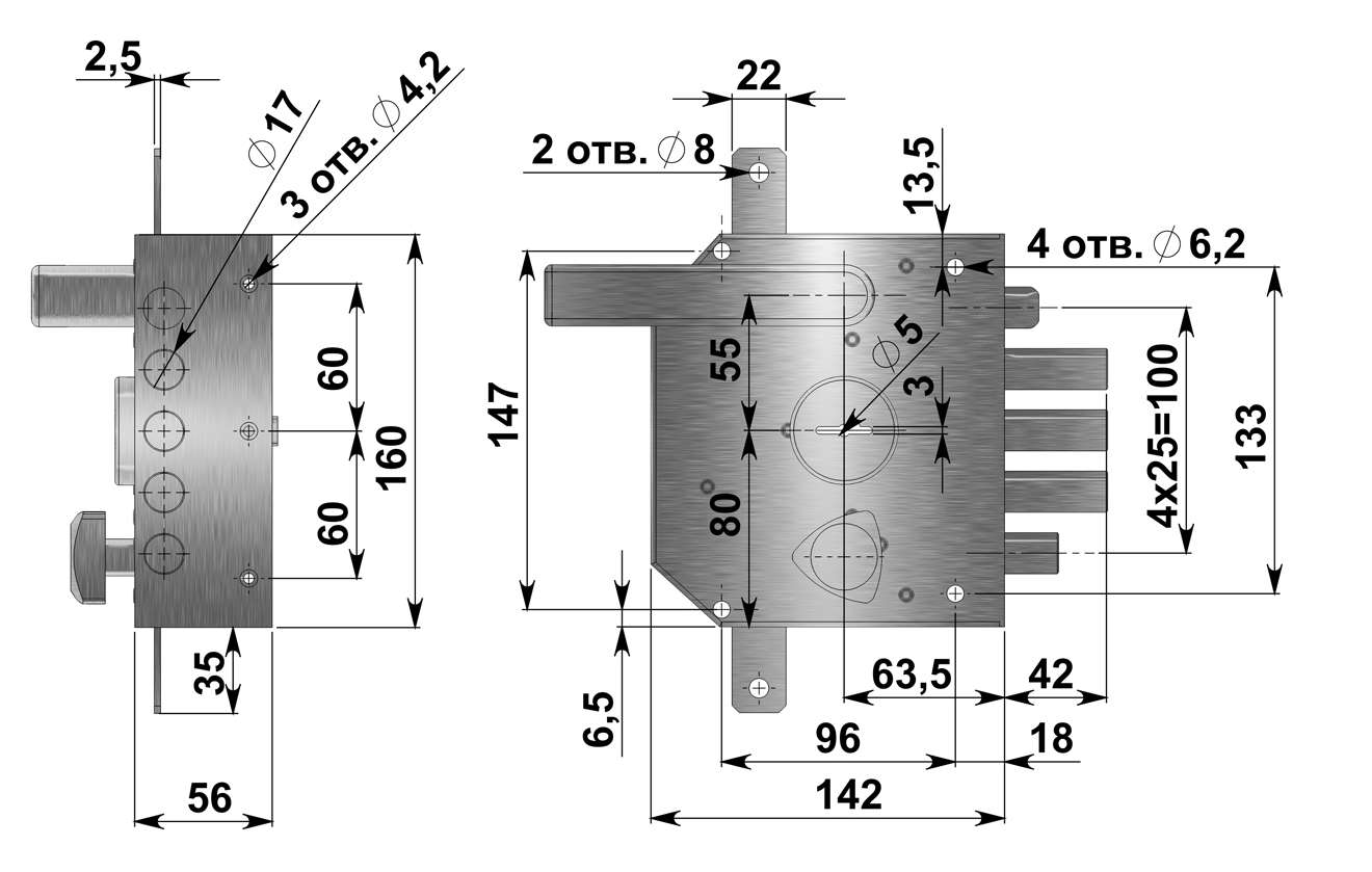
Замок накладной с трехпалым ригелем, фалевой защелкой, внутренней задвижкой и двумя дополнительными тягами. Имеет 8и-сувальдный блокирующий механизм сейфового типа.Замок сертифицирован 3 классом по ГОСТ 5089-2011, сохраняет работоспособность после попадания в скважину посторонних предметов.Запирание двери в трех направлениях обеспечивает повышенную сопротивляемость к взлому и высокую степень защиты.Выпускается правого и левого исполнения. Толщина корпуса замка 24 мм.Запирание поворотом ключа обеспечивает ригель, имеющий три пальца диаметром 17 мм с вылетом 42мм. Дополнительные тяги имеют ход 20 мм и обеспечивают запирание двери вверху и внизу.Защелка обеспечивает фиксацию двери и приводится в действие ручкой. Внутренняя задвижка работает от треугольной ручки.В модификации Эталон НРЗТ-01 — сертифицирован высшим 4 классом по ГОСТ 5089-2011.
Количество секретов: до 1 500 000 вариантов.
Количество ключей: 5 шт.
Вес: 3.00 кг