8 965 480 87 45

звонок по России

0
Нет товаров
 x 
Корзина пуста

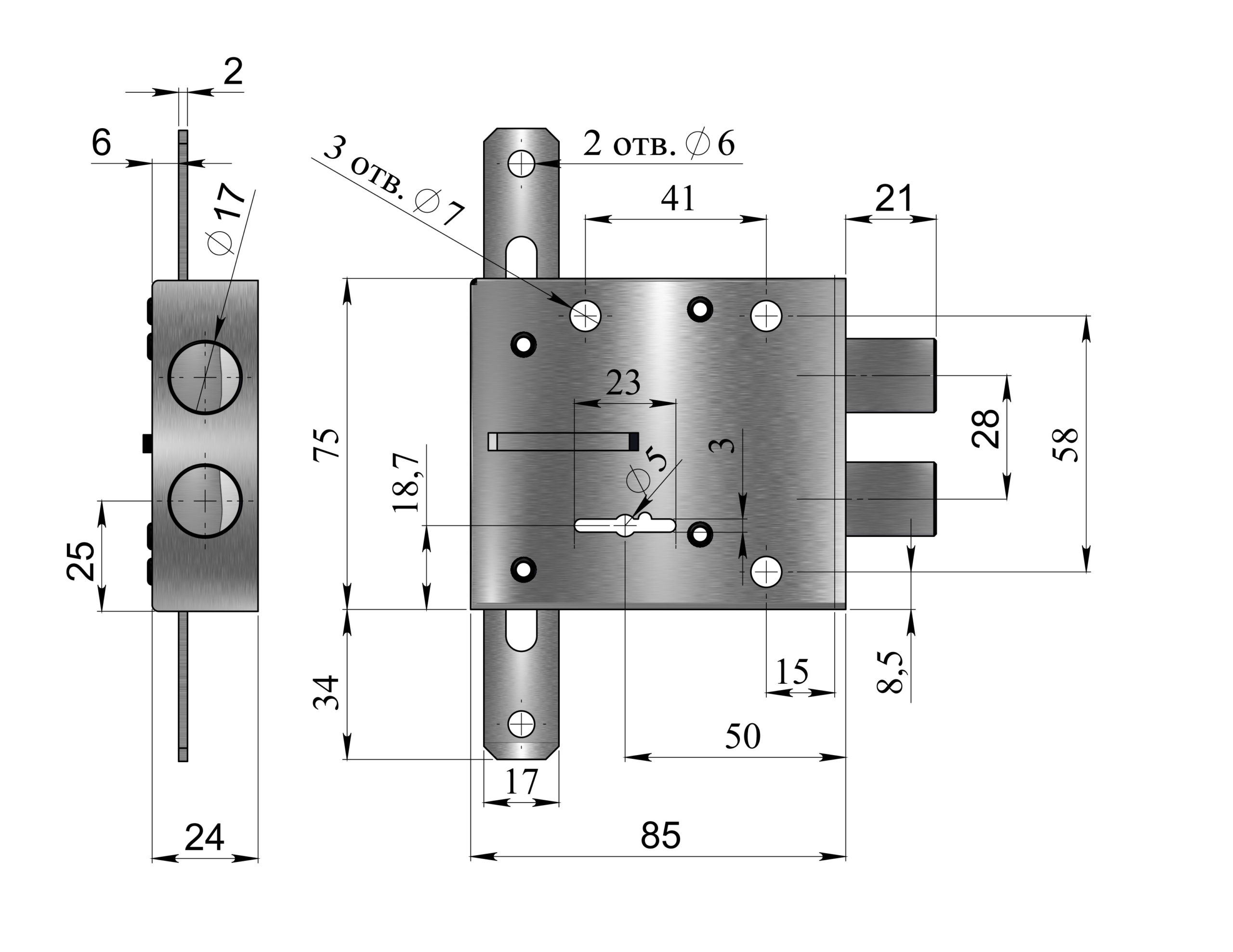
Замок Герион накладной Блок СТМ 2 ключа (Тяги)

Электронная почта

Замок накладной силовой с двухпалым ригелем, двумя дополнительными тягами, имеющими ход по 10 мм, также восьмисувальдный кодовый механизм сейфового типа. Замок сертифицирован 3 классом по ГОСТ 5089-2011, сохраняет работоспособность после попадания в скважину посторонних предметов. Основной ригель состоит из двух пальцев диаметром 17 мм и имеет вылет 21 мм. Ригель, изготовленный из высококачественной стали, обеспечивает повышенную сопротивляемость к взлому и высокую степень защиты. Толщина корпуса замка 24 мм. Предназначен для установки в сейфы или металлические шкафы в качестве основного или фиксирующего замка. В модификации Блок СМТ-01 — сертифицирован 4 классом по ГОСТ 5089-2011.

Количество секретов: более 100 000 вариантов.

Количество ключей: 2 шт.

Вес: 0.70 кг

Добавить комментарий


Нажимая кнопку "Отправить", я подтверждаю свою дееспособность, даю согласие на обработку моих персональных данных в соответствии с Условиями.

Рецензии

Еще нет отзывов об этом товаре.

Категории

Лучшие товары